Caracteristicas:
- MODELO: Sin freno 500
- EJE TIPO: 400-5
- CARGA DEL EJE: EA 500 Kgs.
- SUSPENSIÓN: Hexagonal de caucho.
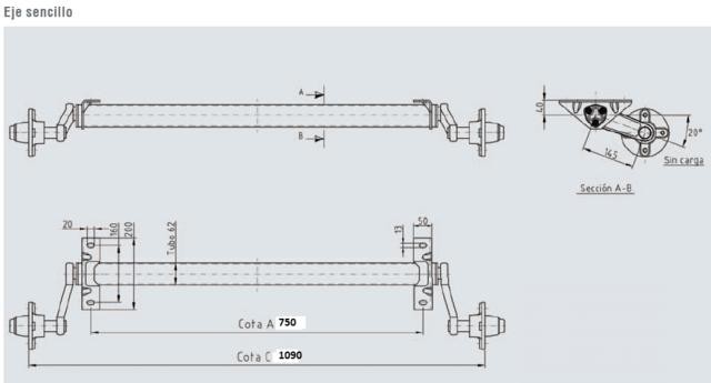
- PALANCA: Forja de 145 mm.
- ATAQUE: 98X4
- RODAMIENTOS: Cónicos.
- Agujero central de llanta: Mínimo 57 mm.
- COTA A: 750 mm.
- COTA C: 1090 mm
- PESO TOTAL DEL EJE: 14 Kgs.
- PERNOS DE RUEDA: Cónicos de M12X1,5
PRECIO IVA Y TRANSPORTE PENINSULAR INCLUIDO EN EL PRECIO
___________________________________________________________________
Este eje se suministra y fabríca bajo pedido, por lo que el plazo de entrega es de 7 días desde la confirmación del pedido.
NO SE ADMITE DEVOLUCIÓN SALVO POR ROTURA EN EL TRANSPORTE O DEFECTO
DE FABRICACIÓN.





